Villamos alapismeretek
Ipari elektronika
Érdekességek
Tesztek
Webhelytérkép
Gépészeti alapismeretek
Kábelek és vezetékek
Erőátviteli kábelek
Adatátviteli hálózati kábelek
Szolgáltatások
Weblap tervezés
Keresés...
Alkatrész- és anyagismeret
Keresztnév
Vezetéknév
Város
E-mail cím
elosztó áramút rajza
Egy elosztó áramút rajza látható, válaszd ki az elosztóra igaz állításokat!
K1 készülék terheléskapcsoló
F2 áramkör névleges árama 35A
Az elosztó rendszere TN-S
A betápláló vezeték tartalmaz Z/S színezésű vezetőt
F1 kismegszakító
Az elosztóban a nulla- és védővezető egyesítve van
A kiselosztó zárlati szilárdsága 6000A
Egészítse ki a mondatot! H07VV-U jelölésű vezeték esetén a 07 azt jelenti, hogy:
az ér tömör alumíniumvezető.
a vezeték feszültsége legfeljebb 750 V.
az ér elemi szálas rézvezető.
az ér osztott rézvezető.
a szigetelés anyaga PVC.
Add meg a betűjelekhez tartozó vezetékek számát!
Kérlek válaszd ki a helyes megoldást!
A=3; B=4; C=4; D=2; E=4; F=2; G=3
A=3; B=4; C=4; D=3; E=3; F=3; G=3
A=3; B=4; C=4; D=3; E=4; F=3; G=3
A=3; B=3; C=3; D=4; E=3; F=3; G=3
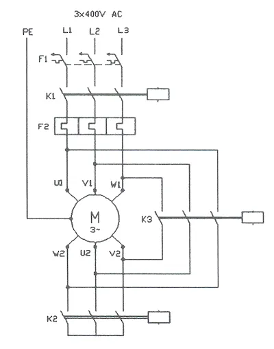
Válaszd ki a rajz alapján a helyes állításokat.
Lehetséges, hogy több válasz is helyes.
F1 hárompólusú kismegszakító
K1 mágneskapcsoló
Egyfázisú motor
A kapcsolás alkalmas forgásirányváltásra
F2 feladata a motor túlterhelés elleni védelmének biztósítása
Küldés
Keresés...
Villamos alapismeretek
Ipari elektronika
Érdekességek
Tesztek
Webhelytérkép
Gépészeti alapismeretek
Kábelek és vezetékek
Erőátviteli kábelek
Adatátviteli hálózati kábelek
Szolgáltatások
Weblap tervezés