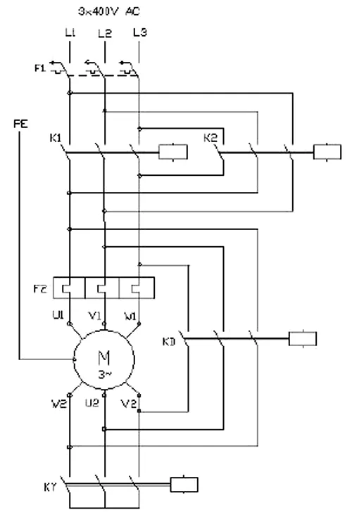
Aszinkron motor túlterhelés védelmének számítása:
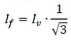
Pl.: A motor delta-kapcsolásban üzemel, csak indítás időtartalmára működik csillag-kapcsolásban. Az aszinkron motor névleges árama delta-kapcsolásban: 71A.
Megoldás: Mivel a hővédelmen a delta-kapcsolású tekercs fázis árama folyik keresztül, ezért a hővédelmet erre az áramra kell állítani. A fázis áram a névleges (vonali áram) 1/√3 szerese.

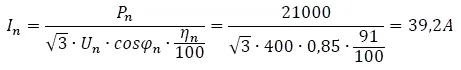
Aszinkronmotor névleges árama:
pl.:
- Névleges teljesítmény: Pn=21kW,
- Névleges fordulatszám: nn=1420 1/min,
- Névleges teljesítménytényező: cosφn=0,85,
- Névleges hatásfok: ηn=91%,
- Névleges feszültség: Un=3x400V, f=50Hz
A ventilációs és csapágysurlódási veszteségtől eltekintünk!
Megoldás:

Aszinkronmotornak a névleges szlipje:
- A szlip (s) az aszinkron motoroknál a szinkron és a forgórész közötti fordulatszámkülönbséget jelenti, amelyet százalékban vagy törtként is kifejezhetünk.
- A névleges szlip az az érték, amelynél a motor a névleges nyomatékot képes leadni, miközben a szlip értéke a "szokásos" üzemállapotban van, ahogy a gyártó meghatározta.
Mi befolyásolja a szlipet?
A motor fordulatszáma és a szlip közötti kapcsolatot a szlip ismeretében a következő képlet írja le: n = n0 • (1 - s).
Ha a motor nincs terhelve (csak súrlódás és ventillációs veszteség), a szlip elenyészően kicsi.
Névleges terhelésnél a szlip 0,04–0,07 közötti értékre növekszik, ami azt jelenti, hogy a motor sebessége körülbelül 4-7%-kal csökken a szinkron fordulatszámhoz képest.
pl.:
- Névleges teljesítmény: Pn=15kW,
- Névleges fordulatszám: nn=720 1/min,
- Névleges teljesítménytényező: cosφn=0,83,
- Névleges hatásfok: ηn=89%,
- Névleges feszültség: Un=3x400V, f=50Hz
Megoldás:

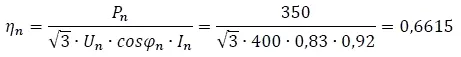
Aszinkronmotor hatásfoka:
pl.:
- Névleges teljesítmény: Pn=350W,
- Névleges fordulatszám: nn=1440 1/min,
- Névleges teljesítménytényező: cosφn=0,83,
- Névleges áram: In=0,92A,
- Névleges feszültség: Un=3x400V, f=50Hz
Megoldás:

Aszinkronmotornak a névleges forgató nyomatéka:
pl.:
- Névleges teljesítmény: Pn=37kW,
- Névleges fordulatszám: nn=940 1/min,
- Névleges teljesítménytényező: cosφn=0,83,
- Névleges hatásfok: ηn=89%,
- Névleges feszültség: Un=3x400V, f=50Hz
Megoldás:


