Még mielőtt hozzá kezdenénk, egy nagyon fontos és elengedhetetlen dolog, hogy bármely izzó, vagy világítótest kiépítésekor soha ne feledkezzünk el a védővezető vezetékeléséről, bekötéséről!
A gyengébbek kedvéért, felsorolnám a rajzokon használt megnevezéseket, vezetékjelölések szerint.:
- Fázisvezető ==> Jele: L vagy L1, L2, L3 Vezetékjelölés (szín): fekete / L1 barna, L2 fekete, L3 szürke/
- Nullavezető ==> Jele: N Vezetékjelőlés (szín): kék
- Védővezető ==> Jele: PE Vezetékjelőlés (szín): zöldsárga /régebben piros/
Először is fontos, hogy az adott feladatra mindig a megfelelő funkcióval rendelkező lámpa kapcsoló legyen megválasztva. Minden villanykapcsoló legfontosabb technikai tulajdonsága a kapcsolási funkció.
A világítási áramkör megtervezésekor fog eldőlni, hogy az adott kapcsolókészüléknek milyen kapcsolási funkciót kell tudnia ellátni. A 7 leginkább elterjedt villanykapcsoló az egypólusú, kétpólusú, hárompólusú, két áramkörös (csillár), váltó, kettős váltó és a keresztkapcsoló.
Gyakorlatilag ezekkel a funkciókkal bármilyen világítási kapcsolás megoldható.
A villanykapcsolók megválasztását a funkció mellett, még három technikai tényező határozza meg:
- Névleges értékek: A háztartások villanykapcsolóinak a legtöbb esetben a névleges feszültségük 230V, és névleges áramuk 10A.
- Védettségi fokozat: A villanykapcsolók is rendelkeznek IP védettség besorolással. Fontos, hogy összhangban legyen IP védelmi szint azzal a környezettel ahova telepítve lesz.
- Szerelési mód: Szerelési mód szerint süllyesztett, illetve falon kívüli.
![]() |
egysarkú kapcsoló (két bekötési pont) |
![]() |
kétsarkú kapcsoló (négy bekötési pont) |
![]() |
háromsarkú kapcsoló (hat bekötési pont) |
![]() |
csillár kapcsoló (három bekötési pont) |
![]() |
váltó kapcsoló (három bekötési pont) |
![]() |
kereszt váltó kapcsoló (négy bekötési pont) |
![]() |
dupla váltó kapcsoló (hat bekötési pont) |
![]() |
csengő kapcsoló (kettő bekötési pont) |
![]() |
lámpa jele |
![]() |
mozgásérzékelős lámpa jele |
![]() |
falikar jele |
![]() |
földelt és a földeletlen dugalj jele |
![]() |
ipari dugalj jele |
![]() |
1-es fénycső jelőlése |
![]() |
2-es fénycső jelőlése |
![]() |
3-as fénycső jelőlése |
![]() |
4-es vagy több fénycső jelőlése |
![]() |
lakáselosztó jelölése |
![]() |
fázis és a nullának a jelőlése |
![]() |
védővezető jelőlése |
![]() |
elszívó jelőlése (ami motorral működik) |
Kapcsolási rajz minták
Egysarkú kapcsolás:


Kétsarkú kapcsolás (vizes helységekben, kültéren alkalmazzák):


Csillárkapcsolás:


Váltókapcsolás:
(kettő helyről egy vagy több fényforrás müködtetésére szolgál)


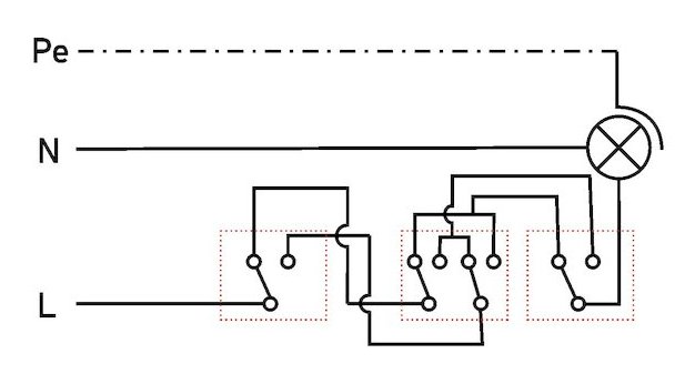
Keresztváltó kapcsolás:
(három vagy több helyről, egy vagy több fényforrás müködtetésére szolgál)


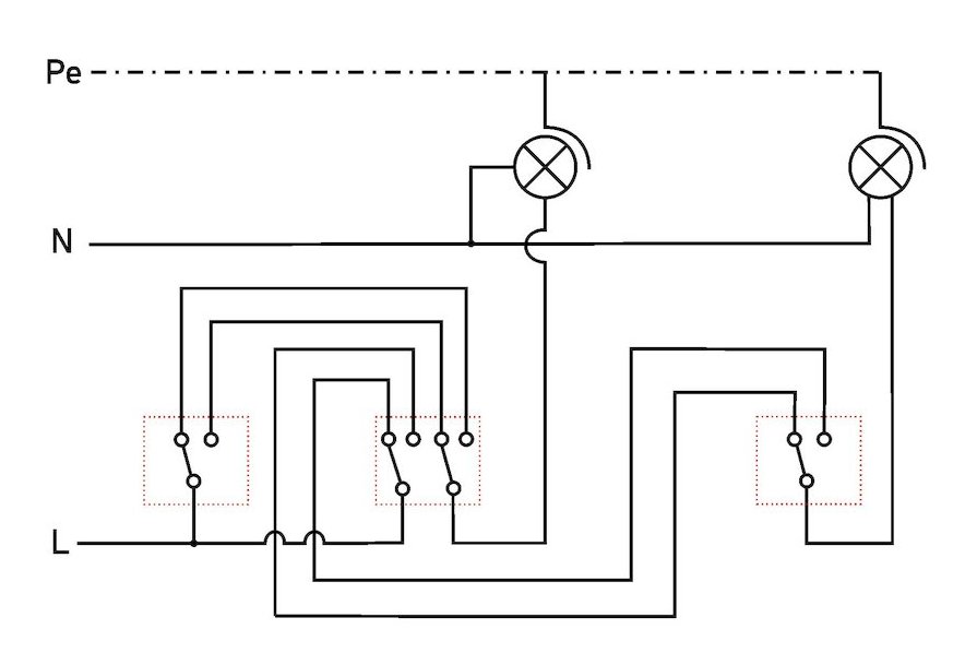
Négy helyről kapcsolás:


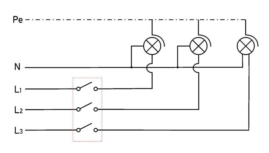
3 fogyasztó 3 fázissal 1 kapcsolóról, külön-külön kapcsolva:


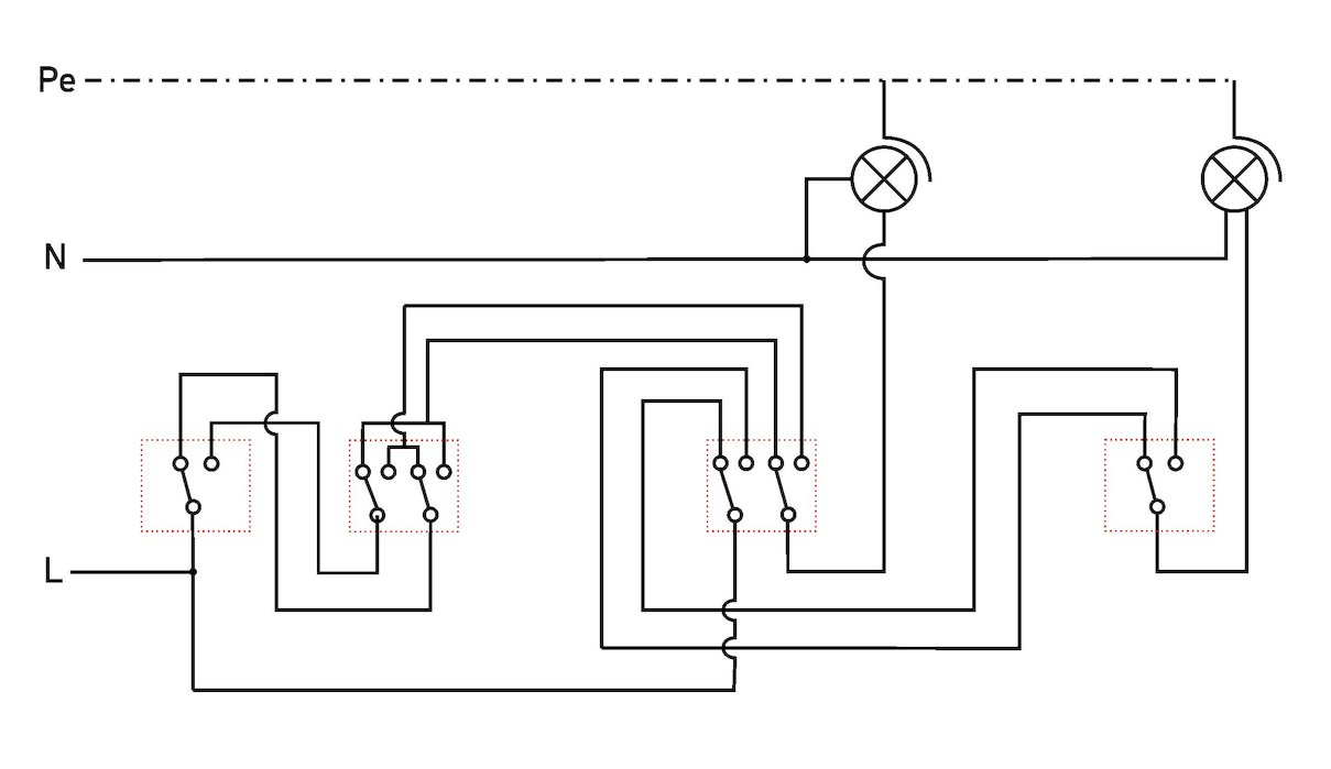
További minták:


























